Tutoriels Domotique Store

Manuel d'utilisation en français du Shelly Uni

2022 11 102 vues

Notre sélection pour ce tutoriel

Manuel d'utilisation en français du SHELLY UNI

 Shelly UNI - "Implant" WiFi avec 2 entrées et 2 sorties libres de potentiel ("contact sec") pour portail, porte de garage, etc.

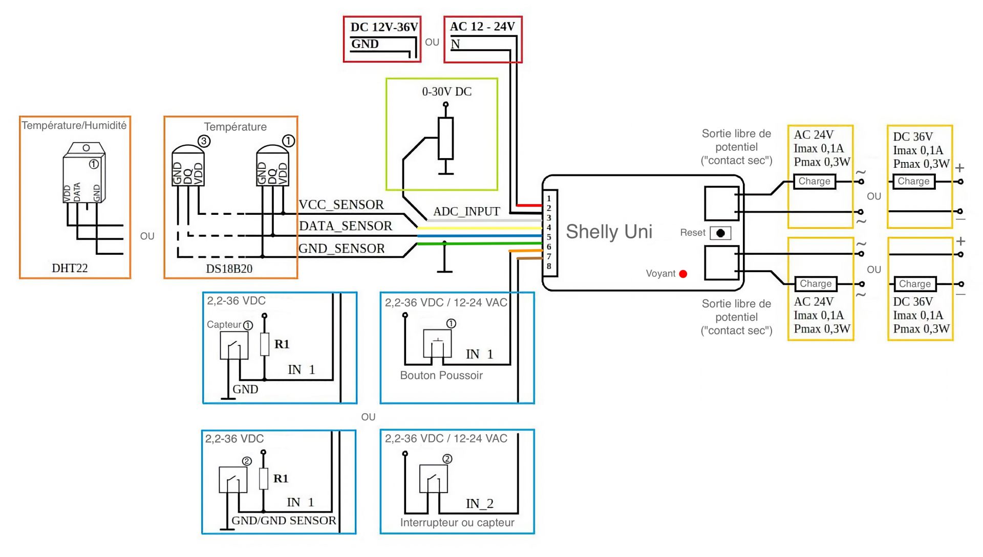
Câblage du Shelly UNI

VUE GLOBALE

  

Câblage du Shelly Uni Implant (entrées boutons / capteurs / détecteurs, sorties à contact sec libres de potentiel, sondes de température DS18B20 ou température et hygrométrie DHT22, mesure de tension

 


CÂBLAGE DE BOUTON(S), INTERRUPTEUR(S), CAPTEUR(S), DÉTECTEUR(S)

 

 Câblage du Smart Implant WiFi Shelly Uni avec des boutons, interrupteurs, capteur ou détecteurs 

 


CÂBLAGE DE SONDES DE TEMPÉRATURE DS18B20

 

 Câblage du Smart Implant WiFi Shelly Uni avec des sondes de température DS18B20 

Si vous connectez une/des sonde(s) DS18B20, vous ne pouvez pas connecter de sonde DHT22.

  


CÂBLAGE D'UNE SONDE DE TEMPÉRATURE ET HUMIDITÉ DHT22

 Câblage du Smart Implant WiFi Shelly Uni avec des sondes de température et humidité DHT22 

Si vous connectez une sonde DHT22, vous ne pouvez pas connecter de sonde DS18B20.

 


    MESURE DE TENSION CONTINUE (0 À 30 V DC)

 

 Câblage du Smart Implant WiFi Shelly Uni pour mesurer une tension 

  


CÂBLAGE DES SORTIES LIBRES DE POTENTIEL ("CONTACT SEC")

Exemple avec un portail disposant d'une entrée pour ouverture piéton et un autre pour ouverture totale.
Le principe est similaire avec une porte de garage (à la différence qu'il n'y a généralement qu'une seule entrée).

Veuillez vous reporter au manuel d'installation de votre motorisation de portail ou de porte de garage afin d'identifier les bornes de commande.

Si vous le souhaitez, vous pouvez ajouter un détecteur magnétique d'ouverture pour usage exérieur (ou un détecteur d'ouverture "sabot", dans le cas d'une porte de garage)

L'alimentation du Shelly Uni peut souvant être effectuée à partir de la motorisation de portail, pour peu que des bornes d'alimentation pour accessoires soit proposée (souvent en 24 V alternatif ou continu, parfois en 12 V). Si vous n'avez pas d'alimentation, vous pouvez opter pour une alimentation 12V 500 mA POPP 004100

 

 Câblage des sorties libres de potentielm (à "contact sec") du Smart Implant WiFi Shelly Uni - Exemple avec un portail ou une porte de garage 

Dans le cas d'une commande de type impulsion, il est important d'activer la fonction minuterie des sorties sur 1 seconde (Setting > Timer > Auto Off > Cocher et mettre la valeur à 1)

bouton Reset

 

Bouton RESET et voyant du Smart Implant WiFi Shelly UNI

  • Appuyer 5 secondes : Active le mode "AP" (crée un réseau WiFi), utile pour se connecter au module s'il ne peut plus se connecter au réseau WiFi existant
  • Appuyer 10 secondes : Remet le module aux réglages d'usine (perd tous les réglages précédemment effectués et active le mode "AP")

 

  • Voyant clignotant : Non connecté
  • Voyant fixe : Connecté au WiFi et aux serveurs cloud de Shelly

Installation de l'application smartphone

Pour votre sécurité, nous vous recommandons de choisir un mot de passe unique pour cette application, d'une longueur de 10 à 14 caractères, mélangeant des majuscules, minuscules, chiffres et caractères spéciaux. Notez ce mot de passe dans un endroit sécurisé.
Si l'application vous demande de vous localiser, autorisez là, car, sans cela, vous n'arriverez pas à configurer le WiFi. Vous pourrez toujours désactiver les droits de localisation par la suite.

Ajout du Shelly UNI à l'application Shelly Cloud

  • Si ce n'est déjà fait, alimentez le Shelly UNI
  • Dans l'application, appuyez sur l'icône  en haut à droite et sur " Add device"

Ajouter un Shelly 3EM à l'application SmartphoneAjouter un Shelly 3EM à l'application Smartphone

  • Entrez le nom et le mot de passe de votre réseau WiFi en respectant bien les minuscules et majuscules. N'hésitez pas appuyer sur l'icône en forme d'œil barré  pour visualiser le mot de passe saisi et vérifier que vous n'avez pas fait d'erreur.

  • Laissez le menu déroulant "ADD VIA" sur "Wi-Fi" puis sélectionnez le UNI dans la liste des appareils.

Ajout du Shelly Uni à l'application ShellyAjout du Shelly Uni à l'application Shelly

Si aucun équipement n'est détecté, appuyez 10 secondes sur le bouton "Reset" du module, relâchez le, et attendez de nouveau 10 secondes et relancer la procédure d'ajout.
  • Connectez vous au réseau WiFi créé par le Shelly UNI. L'application dout vous le proposer, si cela ne fonctionne pas, connectez vous au réseau "shellyuni-xxxxxxxxxx" via le menu WiFi de votre smartphone puis retournez sur l'application Shelly.

Se connecter au réseau WiFi AP du Shelly UNI

  • Une fois le Shelly UNI détecté et ajouté, donnez-lui un nom et attribuez une pièce et une image (si vous n'avez pas la bonne pièce ou la bonne image, ces réglages pourront être modifiés par la suite). Vous pouvez aussi charger votre propre image via le bouton "Upload image". Appuyez sur "Next" à chaque étape puis sur "Done" à la dernière étape.

Nommer le Shelly UNIAttribuer une pièce au Shelly UNIAttribuer une image au Shelly UNI

 

Utilisation du Shelly UNI

Le Shelly UNI peut être utilisé via :

  • Son application Smartphone (fonctionne de chez vous ou à distance)
  • Le site home.shelly.cloud (pour une utilisation depuis un ordinateur, fonctionne de chez vous ou à distance)
  • L'interface Web locale du Shelly UNI (en saisissant http://adresse-IP-du module dans la barre d'adresse de votre navigateur, cet accès ne fonctionne que de chez vous et est le seul possible si vous n'avez pas de connexion Internet ou si vous utilisez le module en mode Point d'Accès Wi-Fi "AP").

Nous verrons dans ce chapitre uniquement l'utilisation depuis l'application smartphone, mais l'utilisation depuis le site home.shelly.cloud est la même.

 

Affichage des 2 groupes entrée/sortie du Shelly UNI Application du Smart Implant WiFi Shelly UNI : Mesure de températureApplication du Smart Implant WiFi Shelly UNI : Export CSV et mesure de l'hygrométrie

" Shelly Uni" correspond aux entrée/sortie 1 et "2) Shelly Uniaux entrée/sortie 2.

Les mesures de tensions, température(s) et humidité sont affichées sur les 2 canaux (ce sont les mêmes)

Pour chaque canal (groupe d'entrée/sortie) : 

  •  : Allume ou éteint la sortie contact "sec"
  •  : Connecté aux serveurs "Cloud" de Shelly
  •  : Une mise à jour est disponible
  •   : L'équipement est partagé à d'autres utilisateurs
  • "Status and control" (affichage des mesures)
    • External sensor x : Affiche le ou les capteurs externes optionnels (DS18B20 / DHT22)
    • External Temperature sensor (Historique des températures mesurées par des sondes de températures externes DS18B20 ou DHT22 optionnelles)
    • External Humidity sensor (Historique d'humidité mesuré par une sonde thermo/hygro externe DHT22 optionnelle)
    •  Day : Choix de la période (jours, semaines, mois, années, dernières 24h, 7 derniers jours)
    •  : Choix du type de graphique
    •  DOWNLOAD  : Permet de télécharger l'historique sous forme de fichier .csv, que vous pourrez ensuite ouvrir avec un tableur (Excel, Libre Office, Google Sheets, Apple Numbers, etc.)

Paramètres du Shelly UNI

Réglages de paramètres de configuration du Smart Implant WiFi Shelly Uni

Appuyez sur le canal du module  Shelly UNI que vous souhaitez configurer, puis sur l'onglet "Settings" (réglages)

"Enable" signifie "Activé".
  •  "Timer" (Minuterie)
    • Auto ON : (ré)allume la sortie un temps définit (en secondes) après son extinction.
    • Auto OFF : Éteint la sortie un temps définit (en secondes) après son allumage.
Si vous voulez effectuer des commandes par impulsions (ex : porte de garage ou portail), activez la fonction "Auto OFF" et réglez-là à 1 seconde.
  •   "Schedule" (programmations horaires) : Permet allumer et/ou éteindre automatiquement la sortie aux heures et jours prédéfinis ou en fonction des heures de lever/coucher du soleil. Vous pouvez ajouter jusqu'à 20 programmations hebdomadaires.
Cette fonction nécessite une connexion à l'Internet.
  •  "I/O Actions" [usage avancé] : Permet de préciser des adresses URL à appeler en fonction d'actions sur les boutons.
  •  "Sensor Actions" [usage avancé] : Permet de préciser des adresses URL à appeler en fonction des températures et humidité (seuil supérieur et inférieur)
  •  "External Sensors" : Permet de régler les capteurs externes de température / humidité
    • "Temperature Units" : Permet de régler l'unité en °C ou °F
    • "Sensor Names" : Permet de nommer lescanaux de températures et humidité
    • "Temperature Offset" : Permet d'étalonner les sondes de température en ajoutant (-)X.Y degrés
    • "Humidity Offset"  : Permet d'étalonner la sonde d'hygrométrie en ajoutant (-)X %
Au 29/08/22, il n'est pas possible de saisir le - sur l'application smartphone. Si vous souhaitez une valeur négative et que vous ne pouvez pas saisir de "-", nous vous recommandons d'effectuer ce réglage via l'interface Web Cloud https://home.shelly.cloud .
  •  "Temperature Automation" : Permet de configurer des actions automatiques sur la sortie concernée du Shelly Uni en fonctions de seuils supérieurs et inféreieurs de température.
  •  "Humidity Automation" : Permet de configurer des actions automatiques sur la sortie concernée du Shelly Uni en fonctions de seuils supérieur et inférieur d'hygrométrie.
  •  "ADC Actions" [usage avancé] : Permet de préciser des adresses URL à appeler en fonction de tensions mesurées sur l'entrée ADC (seuil supérieur et inférieur)
  •  "ADC Automation" : Permet de configurer des actions automatiques sur la sortie concernée du Shelly Uni en fonctions de seuils supérieur et inférieur de tension mesurée sur l'entrée ADC.
  •  "Internet" (Réseaux) : Permet de configurer les paramètres Wi-Fi, Point d'accès (AP), Cloud.
    • Wi-Fi 1 : permet à l'appareil de se connecter à un réseau WiFi principal.
      Après avoir saisi les détails dans les champs respectifs, appuyez sur "Connecter".
    • Wi-Fi 2 : permet à l'appareil de se connecter à un réseau WiFi secondaire (de secours) dans le cas où votre réseau WiFi principal deviendrait  indisponible.
      Après avoir saisi les détails dans les champs respectifs, appuyez sur "Enregistrer".
    • "Access Point" (Point d'accès) : Configurez le Shelly UNI pour créer un point d'accès (émetteur) Wi-Fi.
      Après avoir tapé les détails dans les champs respectifs, appuyez sur "Créer un point d'accès".
    • "Restrict Login" : Protéger l'interface Web locale du Shelly UNI avec un nom d'utilisateur et mot de passe (Appuer sur "Enable" et définir le nom d'utilisateur et le mot de passe).
    • "Cloud" : La connexion au nuage vous permet de contrôler votre appareil à distance et de recevoir des notifications et des mises à jour.
  •  "Application Settings" (Paramètres de l'application)
    • "Consumption Calculation" (Calcul de la consommation)
      • "Exclude from total room consumption" : Exclut la consommation mesurée par le Shelly UNI de la consommation totale de la pièce lui ayant été attribuée.
      • "Exclude from total room consumption" : Exclut la consommation mesurée par le Shelly UNI de la consommation totale
    • "Pin Lock" (Verrouillage par code PIN) : Activer le verrouillage de l'utilisation par un code PIN
    • "Sync Name" (Synchoniser le nom) : Utiliser le même nom que celui défini dans l'application
    • "Input State Display" : Affiche l'état de l'entrée sur le bouton de sortie du groupe entrée/sortie concerné
    • "Exclude from event log" (Exclure du journal des événements) : Ne pas afficher les événements de cet appareil dans l'application.
  •  "Share" (Partager) : Partagez le contrôle de votre appareil avec d'autres utilisateurs.
  •  "Settings" (Paramètres du module)
    • Eco mode : réduit les performances du microprocesseur afin de réduire la consommation d'énergie du Shelly UNI
    • "Power On Default" : État que prendra la sortie contact "sec" du Shelly UNI après une coupure de courant.
      • ON (marche),
      • OFF (arrêt),
      • "Restore last mode" (reprends l'état précédent la coupure de courant)
    • "Button Type" : Type de bouton / interrupteur / capteur / détecteur connecté et type d'action
      • "Momentary (...)" : Bouton poussoir impulsionnel (assi dit "momentané" ou "monostable"). Un appui = ON, appui suivant = OFF et ainsi de suite
      • "Toggle Switch (...)" : Interrupteur à bascule (dit "bistable") avec une position toujours ON et une position toujours OFF
      • "Edge Switch" :  Interrupteur à bascule (dit "bistable"). Inverse l'état de la sortie à chaque changement de position. (ex : si la sortie est OFF et que l'interrupteur passe de ON vers OFF, alors la sortie passe à ON. Ex 2 : Si la sortie est ON et que l'interrupteur passe de OFF vers ON, la sortie passe à OFF).
      • "Detached Switch" : Entrée indépendante de la sortie. L'état ON/OFF ou ouvert/fermé de l'interrupteur ou capteur / détecteur est remonté et peut servire de déclencheur de scènes.
      •  "Activation Switch" : Entrée indépendante de la sortie. L'état passe à ON quand le contact est fermé (ex : détecteur) puis repasse à OFF après quelques secondes.
      • "Cycle Switch" : Chaque appui sur un bouton poussoir relié à cette entrée activera séquentiellement les sorties suivantes : Sortie 1 ON / Sortie 2 OFF, 1 OFF / 2 ON, 1 & 2 ON, 1 & 2 OFF.
      • "Reverse inputs" : Si coché, inverse les états de l'entrée : contact fermé devient OFF et contact ouvert devient ON
    • "Long Push" : Dans le cas d'une utilisation avec un/des bouton(s) poussoir(s), délai en ms pour qu'un appui soit considéré comme un appui long (800 ms par défaut)
    • "ADC Offset" :  Permet d'étalonner la mesure de tension de l'entrée ADC de (-)X.Y Volts
    • "ADC Range" : 12 V (de 0 à 12V. Les mesures seront plus précises) / 30 V (0 à 30 V. Les mesures seront moins précises)
    • "Geo location and time zone" (Géolocalisation et fuseau horaire) : Définissez votre fuseau horaire et votre géolocalisation manuellement, ou activez/désactivez la détection automatique.
    • "Appliande Type" : Permet de préciser le type d'équipement relié à la sortie ("General", "outlet" = prise, "light" = lampe, "Relay" = relai, "custom" = peronnalisé)
    • "Device Name" (Nom de l'équipement) : Permet de changer le nom de l'équipement
    • "Channel Name" (Nom du canal) : Permet de changer les noms des canaux A, B et C
    • "Firmware Update" (Version du micrologiciel interne) : Affiche la version actuelle de votre micrologiciel. Si une version plus récente est disponible, vous pouvez mettre à jour votre appareil Shelly en cliquant sur Update.
    • "Factory Reset" : Remet tous les réglages aux valeurs d'usine, supprime la connexion WiFi et supprime le produit de votre compte Shelly Cloud.
    • "Device Reboot" (Redémarrage de l'appareil) : Redémarre votre Shelly UNI  (sans perte de données)
    • "Device Info" (Informations sur l'appareil) : Ici, vous pouvez voir l'ID, l'IP et d'autres paramètres de votre appareil. En cliquant sur "Editer le dispositif", vous pouvez modifier la pièce, le nom ou l'image du dispositif.
  • Bouton "Edit Device" : Permet de changer le nom, la pièce et l'image du module.