Tutoriels Domotique Store

Manuel d'utilisation du module variateur de lumière Z-Wave+ Fibaro FGWDEU-111 "Walli Dimmer"

2019 6 246 vues

Notre sélection pour ce tutoriel

Manuel d'utilisation du module zwave+VARIATEUR DE LUMIÈRE FIBARO FGWDEU-111 "WALLI DIMMER"

Vous trouverez ici le manuel d'utilisation en français du module Z-Wave+ variateur de lumière Fibaro FGWDEU-111 "Walli Dimmer"

présentation

Le module FIBARO FGWDEU-111 Walli Dimmer est un variateur mural intelligent conçu pour contrôler la source lumineuse via le réseau Z-Wave.

Il mesure la puissance active et l'énergie consommée par la charge contrôlée et permet de donner des indications via l'anneau LED.
Vous pouvez l'installer à l'aide de la plaque de finition fourni ou d'une autre plaque compatible.

installation

Avant de commencer

Le branchement de l'appareil d'une manière non conforme peut entraîner des risques pour la santé, la vie ou des dommages matériels.
  • Ne pas mettre l'appareil sous tension avant de l'avoir complètement monté dans le boîtier de montage
  • Raccordez uniquement selon les schémas
  • Ne l'installer que dans des boîtes d'encastrement conformes aux normes de sécurité nationales en vigueur et d'une profondeur d'au moins 40 mm
  • Ne connectez pas d'appareils qui ne sont pas conformes aux spécifications ou aux normes de sécurité en vigueur
  • Ne branchez pas d'appareils de chauffage
  • Ne pas raccorder des charges en dessous de la puissance minimale en connexion 2 fils sans Bypass 2
  • Ne pas raccorder en même temps différents types d'ampoules
  • Ne pas brancher l'alimentation électrique sans charge
  • Ne pas raccorder plus d'un transformateur
  • En cas d'utilisation d'un transformateur magnétique, le charger avec 50% de sa puissance nominale au minimum

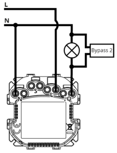
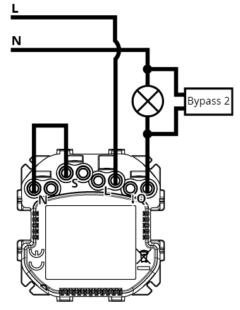
schéma de branchement électrique

Branchement en connection 3 fils (avec neutre) sans Bypass
Branchement en connection 3 fils (avec neutre) avec Bypass
Branchement en connection 2 fils (sans neutre) sans Bypass
Branchement en connection 2 fils (sans neutre) avec Bypass

assemblage

  • Avec la finition Fibaro :
    • Insérez le module avec le cadre de montage dans le boîtier de montage et fixez-le à l'aide de griffes de montage et de vis
    • Clipsez la plaque de finition
    • Appuyez sur le bouton poussoir pour le mettre en place

  • Lors de l'installation avec une finition GIRA :
    • Insérez le module avec le cadre de montage dans le boîtier de montage et fixez-le à l'aide de griffes de montage et de vis
    • Clipsez la nouvelle plaque de finition sur l'appareil
    • Enclenchez l'adaptateur de bouton-poussoir de l'interrupteur sur l'appareil
    • Enclenchez le nouveau bouton-poussoir sur l'appareil
  • Lors de l'installation avec une finition Legrand :
    • Insérez l'appareil avec le cadre de montage dans le boîtier de montage et fixez-le à l'aide de griffes de montage et de vis
    • Enclenchez l'adaptateur de bouton-poussoir de l'interrupteur sur l'appareil
    • Enclenchez la nouvelle plaque de finition intérieure sur l'appareil
    • Enclenchez la nouvelle plaque de finition extérieure sur l'appareil
    • Enclenchez le nouveau bouton-poussoir sur l'appareil
  • Lors de l'installation avec une finition Schneider :
    • Insérez l'appareil avec le cadre de montage dans le boîtier de montage et fixez-le à l'aide de griffes de montage et de vis
    • Clipser la nouvelle plaque de finition sur l'appareil
    • Enclenchez le nouveau bouton-poussoir sur l'appareil

INCLUSION AU RÉSEAU Z-WAVE

Cette étape permet d'ajouter le module à votre réseau Z-Wave et ainsi de le rendre utilisable par votre box domotique mais aussi de lui faire commander directement d'autres modules présents sur le même réseau Z-Wave.

L'inclusion étant une étape sensible et nécessitant beaucoup d'échanges avec le contrôleur Z-Wave, il est très fortement recommandé d'effectuer cette opération à moins de 2m sans obstacle du contrôleur Z-Wave (box domotique).
Le processus d'inclusion peut porter plusieurs noms suivant les logiciels ou box domotique utilisés. Il peut par exemple être appelée "ajouter un périphérique Z-Wave" ou associer un module (bien que le terme association soit impropre avec le Z-Wave car définissant un autre type d'action).
  • Le module doit être alimenté
  • Mettez votre contrôleur Z-Wave (box domotique) en mode inclusion
  • Effectuez un triple appui très rapide sur le bouton poussoir du module (un des deux boutons)
  • La LED se met à clignoter en jaune, attendez que le processus d'inclusion se termine
    • Votre box / logiciel domotique doit vous indiquer après quelques secondes la réussite de l'inclusion
Si vous rencontrez des difficultés à l'inclusion, nous vous recommandons d'effectuer au préalable une exclusion du module ou une réinitialisation.

Le module indique le résultat de l'inclusion grâce à son anneau LED :
  • Vert : Inclusion réussie (non sécurisé, S0, S2 non authentifié)
  • Magenta : Inclusion réussie (Sécurité S2 authentifié)
  • Rouge : Echec de l'inclusion

EXCLUSION DU RÉSEAU Z-WAVE

Cette opération permet de "libérer" le module de son inclusion précédente afin de pouvoir l'inclure à un autre réseau Z-Wave.

L'exclusion étant une étape sensible, il est très fortement recommandé d'effectuer cette opération à moins de 2m sans obstacle du contrôleur Z-Wave (box domotique)
Le processus d'exclusion peut porter plusieurs noms suivant les logiciels ou box domotiques utilisés. Il peut par exemple être appelée "supprimer un périphérique Z-Wave".
Vous pouvez exclure un module Z-Wave avec n'importe quel contrôleur (ou box domotique), même s'il ne s'agit pas de celui qui avait servi à l'inclure.
  • Le module doit être alimenté
  • Mettez votre contrôleur Z-Wave (box domotique) en mode exclusion
  • Effectuez un triple appui très rapide sur le bouton poussoir du module (un des deux boutons)
  • La LED se met à clignoter en jaune, attendez que le processus d'exclusion se termine
     
    • Votre box / logiciel domotique doit vous indiquer après quelques secondes la réussite de l'exclusion
Tous les réglages et associations sont effacés au moment de l'exclusion.

Réinitialisation du module

En cas de dysfonctionnement ou de difficultés à exclure / inclure le module, vous pouvez tenter une remise aux valeurs d'usine. Cette opération supprimera l'inclusion et les associations et mettra les paramètres à leur valeurs par défaut.

  • La module doit être alimenté
  • Effectuez un triple appui très rapide sur le bouton poussoir du module (un des deux boutons) et appuyez une quatrième fois en maintenant l'appui pour accéder au menu
  • Relâchez le bouton lorsque l'anneau LED s'allume en jaune puis appuyez de nouveau une fois sur le bouton
  • L'anneau LED clignotera en jaune pour confirmer
  • Après quelques secondes, le module redémarre, ce qui est signalé par une LED rouge